精诚合作 Sincere cooperation
信誉立足 Prestige foothold
联系电话13840181528
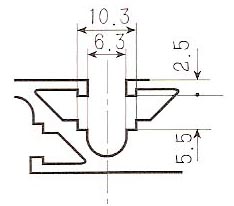
型号
DH15120
重量(kg/m)
2. 06
断面积(mm2)
763
惯性矩 (mm4)
Ix
2.04×104
Iy
97.88×104